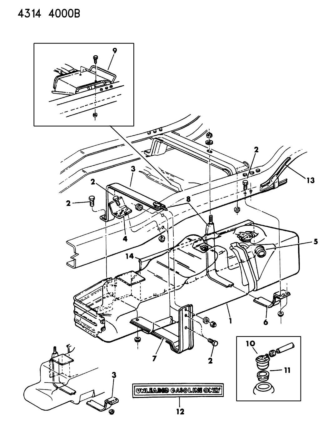
78 Dodge Ramcharger Fuel Line Diagram

78 Dodge Ramcharger Fuel Line Diagram

  • Category : Line Diagram
  • Post Date : January 27, 2026
78 Dodge Ramcharger Fuel Line Diagram 9 out of 10 based on 10 ratings. 80 user reviews.

78 Dodge Ramcharger Fuel Line Diagram

4429575

78 Dodge Ramcharger Fuel Line Diagram

55366643ag

Fuel Tank Sending Unit For 1989 Dodge Ramcharger

1992 Dodge Ramcharger 5 2l 5 9l Fuel Lines

1984 Dodge D150 Fuel Line

Dodge Ram 1500 Connector Fuel Line Connector Fuel Line

I Have A 1993 Dodge Dakota And I Need To Change The Fuel

Which One Is Fuel Return Line

Dodge Cummins Fuel Tank Sending Unit 4798671

Dodge Ramcharger Fuel Filter Replacement

Does My 1985 Dodge D150 Need An Egr Vacuum Valve

4075382

Throttle Control For 1989 Dodge Ramcharger

1988 Ramcharger 4wd Mess

I Need A Hose Diagram For Replacing A 1989 Dodge Dakota

1982 Dodge Ramcharger Is Getting New Engine

1993 Dodge Ramcharger 5 2l 5 9l Fuel Lines

2000 Dodge Ram Coil

1988 Dodge Ramcharger 5 2l 5 9l Fuel Lines

I Have A 1998 Dodge Ram 1500 4x4 Someone Cut My Gas Line

Repair Guides

I Have A 1986 Dodge Ram 225ci Motor Some Of My Vacuum

Small Vacuum Tubes Under Dash 85 Ram 150

Repair Guides

Converting 89 Tbi Rc To Carb

Need A Diagram Of The Vacuum Hose Attachments Points Of

Fuel Line For 2007 Dodge Ram 1500

How I Converted From Tbi To Carburetor

Ramchargercentral Com - Articles

Fuel Lines 89 Rc

U0026 39 88 Power Ram Fuel Pump Module With Broken Nipple

Hard Starting On Dodge 318

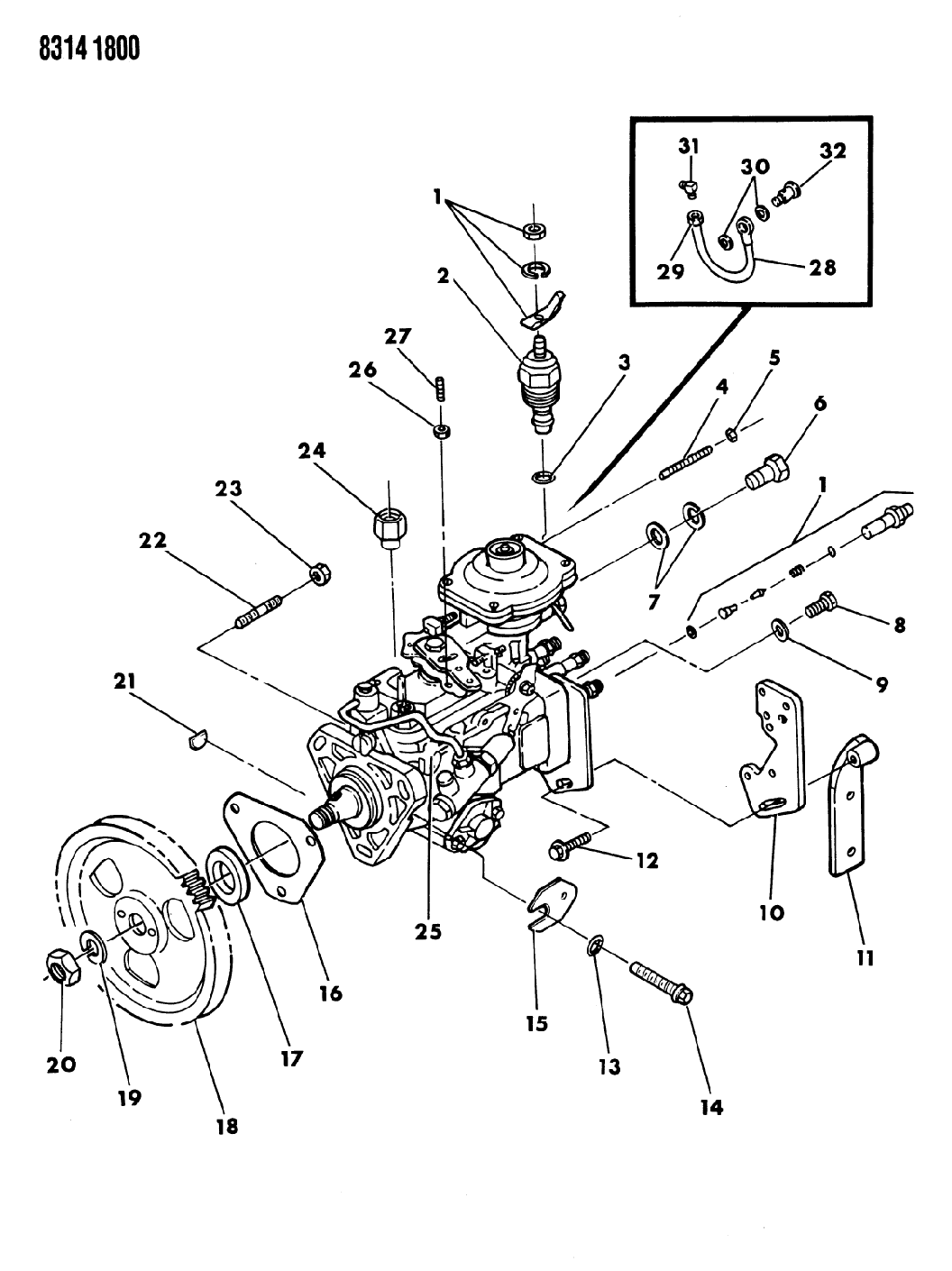
Fuel System Diagram Include Fuel Pump For 1986 Dodge Ram

I Need A Vacuum Diagram For The A C On My 87 Dodge B250 Van

1986 Dodge Ram 50 Vacuum Diagram Dodge Auto Parts

I Would Appreciate Some Help On A 1987 Dodge Raider 4 Cyl

Where Can I Get A Fuel Diagram For My 2003 Dodge Ram

1997 5 9 1500 Fuel Line Issue Help Needed

Chevy Wiring 1991 Chevy S10 Fuel Pump Fuse Box Diagram

I Am Trying To Diagnose Why My A C Is Not Working On My

6 Best Images Of Dodge Vacuum Line Diagram

Dodge Ram 3500 Tube Fuel Return Engine Lines

1985 Emissions Equipment Locations

52018323

Vent Line Fuel Pump U0026 Filter Question

1998 Dodge Dakota Fuel Pump Wiring Diagram

1997 Dodge Ram 2500 Collar Fuel Line Wreturn

Vp44 And Lift Pump Combo

1992 Dodge Ram Pickup 5 2 Motor No Spark No Fuel No Check

2001 Dodge Ram 2500 Check Valve Fuel Linesengine Encore

Diagram 78 Dodge Ramcharger Fuel Line Diagram

  • Download 78 Dodge Ramcharger Fuel Line Diagram

    draw.io is free online diagram software for making flowcharts, process diagrams, org charts, UML, ER and network diagrams

    Open and edit diagrams online with Draw.io, a free diagram software supporting various formats and diagram types.

    Create a new diagram, or open an existing diagram in your new tab. To create a new diagram, enter a Diagram Name and click the location where you want to save the file.

    Create flowcharts and diagrams online with this easy to use software.

    Create and edit diagrams with draw.io, a free diagramming tool that integrates seamlessly with Office 365.

    Easily import diagrams from Lucidchart to diagrams.net or draw.io with this simple tool.

    Access and integrate Google Drive files with Draw.io using the Google Picker tool for seamless diagram creation.

    Clearing Cached version 29.3.4... OK Update Start App

    confEmbedUpload=For a better editing experience, please use the regular draw.io macro to insert a blank diagram, then from (File menu → Import From → Device...) select the file you want to upload and embed.

    If you enter personal information into a diagram and perform an action that requires us to send that diagram to a server for processing, your personal data may be processed on that server, but never stored.

    3 way switch,3 way switch wiring,3 way switch wiring diagram pdf,3 way wiring diagram,3way switch wiring diagram,4 prong dryer outlet wiring diagram,4 prong trailer wiring diagram,6 way trailer wiring diagram,7 pin trailer wiring diagram with brakes,7 pin wiring diagram,alternator wiring diagram,amp wiring diagram,automotive lighting,cable harness,chevrolet,diagram,dodge,doorbell wiring diagram,ecobee wiring diagram,electric motor,electrical connector,electrical wiring,electrical wiring diagram,ford,fuse,honeywell thermostat wiring diagram,ignition system,kenwood car stereo wiring diagram,light switch wiring diagram,lighting,motor wiring diagram,nest doorbell wiring diagram,nest hello wiring diagram,nest labs,nest thermostat,nest thermostat wiring diagram,phone connector,pin,pioneer wiring diagram,plug wiring diagram,pump,radio,radio wiring diagram,relay,relay wiring diagram,resistor,rj45 wiring diagram,schematic,semi-trailer truck,sensor,seven pin trailer wiring diagram,speaker wiring diagram,starter wiring diagram,stereo wiring diagram,stereophonic sound,strat wiring diagram,switch,switch wiring diagram,telecaster wiring diagram,thermostat wiring,thermostat wiring diagram,trailer brake controller,trailer plug wiring diagram,trailer wiring diagram,user guide,wire,wire diagram,wiring diagram,wiring diagram 3 way switch,wiring harness

    close