209 Jetta Wire Diagrams

209 Jetta Wire Diagrams

  • Category : Wire Diagrams
  • Post Date : January 26, 2026
209 Jetta Wire Diagrams 9 out of 10 based on 100 ratings. 60 user reviews.

209 Jetta Wire Diagrams

2004 Vw Beetle Radio Wiring Diagram

2004 Vw Beetle Radio Wiring Diagram

Thesamba Com Thing Type 181 - View Topic

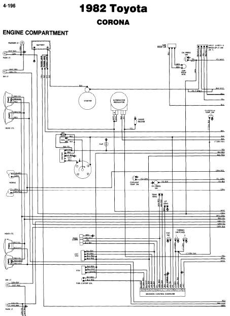
Toyota Corona 1982 Wiring Diagrams

Car Wiring Harness Plug Adapter Audio Sound Cable For

0 Typical Spa Wiring Diagrams J 400 Series Page 79 Jacuzzi

Renault Megane Wiring Diagram Pdf

2

Blue Under Dash Legal

Toro Professional 74176 Z147 Z Master With 44 U0026quot Sfs Side

Rs 125 Wiring Diagram U2013 Volovets Info

C5 Headlight Wiring Diagram

Diagram 3 0 Mercruiser Wiring Diagram Full Version Hd

Diagram 209 Jetta Wire Diagrams

  • Download 209 Jetta Wire Diagrams

    draw.io is free online diagram software for making flowcharts, process diagrams, org charts, UML, ER and network diagrams

    Open and edit diagrams online with Draw.io, a free diagram software supporting various formats and diagram types.

    Create a new diagram, or open an existing diagram in your new tab. To create a new diagram, enter a Diagram Name and click the location where you want to save the file.

    Easily import diagrams from Lucidchart to diagrams.net or draw.io with this simple tool.

    Create and edit diagrams with draw.io, a free diagramming tool that integrates seamlessly with Office 365.

    Create flowcharts and diagrams online with this easy to use software.

    app.diagrams.net

    Access and integrate Google Drive files with Draw.io using the Google Picker tool for seamless diagram creation.

    Clearing Cached version 29.3.4... OK Update Start App

    7.2 The Software will initiate transfers of data forming part of the Diagrams (“Diagram Data”) to services supplied by third parties when you expressly request conversion of Diagrams: a. to another supported file format; and b. to PDF format.

    3 way switch,3 way switch wiring,3 way switch wiring diagram pdf,3 way wiring diagram,3way switch wiring diagram,4 prong dryer outlet wiring diagram,4 prong trailer wiring diagram,6 way trailer wiring diagram,7 pin trailer wiring diagram with brakes,7 pin wiring diagram,alternator wiring diagram,amp wiring diagram,automotive lighting,cable harness,chevrolet,diagram,dodge,doorbell wiring diagram,ecobee wiring diagram,electric motor,electrical connector,electrical wiring,electrical wiring diagram,ford,fuse,honeywell thermostat wiring diagram,ignition system,kenwood car stereo wiring diagram,light switch wiring diagram,lighting,motor wiring diagram,nest doorbell wiring diagram,nest hello wiring diagram,nest labs,nest thermostat,nest thermostat wiring diagram,phone connector,pin,pioneer wiring diagram,plug wiring diagram,pump,radio,radio wiring diagram,relay,relay wiring diagram,resistor,rj45 wiring diagram,schematic,semi-trailer truck,sensor,seven pin trailer wiring diagram,speaker wiring diagram,starter wiring diagram,stereo wiring diagram,stereophonic sound,strat wiring diagram,switch,switch wiring diagram,telecaster wiring diagram,thermostat wiring,thermostat wiring diagram,trailer brake controller,trailer plug wiring diagram,trailer wiring diagram,user guide,wire,wire diagram,wiring diagram,wiring diagram 3 way switch,wiring harness

    close