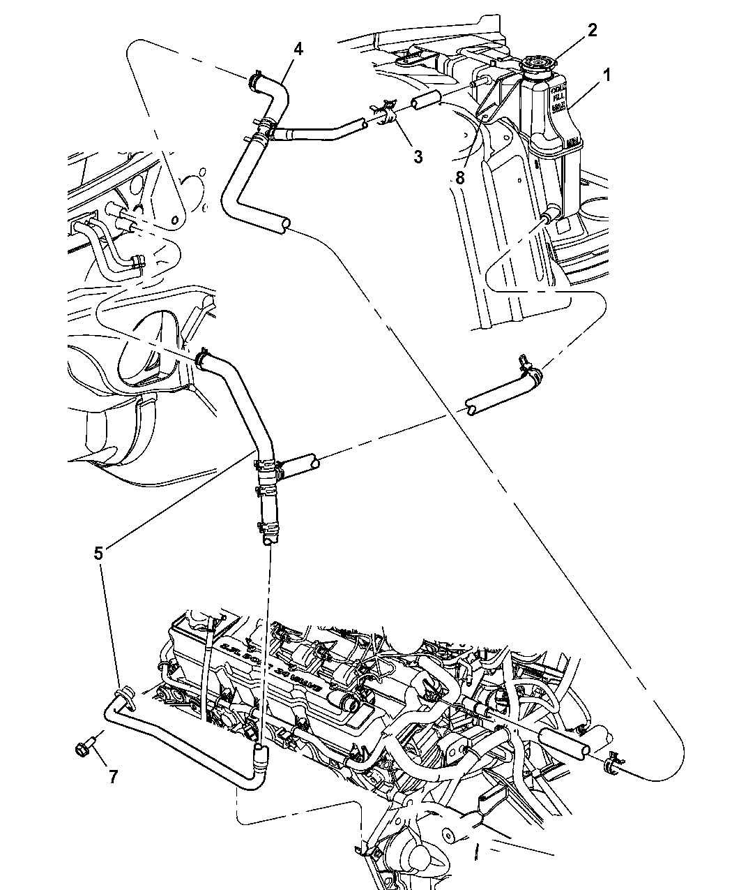
2007 Dodge Magnum Engine Coolant Diagram

2007 Dodge Magnum Engine Coolant Diagram

  • Category : Coolant Diagram
  • Post Date : January 26, 2026
2007 Dodge Magnum Engine Coolant Diagram 9 out of 10 based on 90 ratings. 40 user reviews.

2007 Dodge Magnum Engine Coolant Diagram

Dodge Magnum Radiator Engine Cooling Maximum Duty

2006 Dodge Magnum Parts

4596755ac

2006 Dodge Magnum Parts

Dodge Magnum 2005 Repair Manual

2007 Dodge Magnum Pad Engine Foam Eer Intake Manifold

2008 Dodge Avenger Serpentine Belt Diagram

2007 Chrysler 300 Engine Diagram

2006 Dodge Magnum Parts

52006491ac

2007 Sxt Magnum 3 7 Sensors Location

55038120aa

Parts Com U00ae

Parts Com U00ae

2001 Dodge Ram 5 9 Overheating

Parts Com U00ae

Dodge Magnum Tube Vapor After 5 12 05 Fuel Lines

Hemi Motor Diagram

2000 Dodge Intrepid 2 7 Engine Diagram

1998 Dodge Dakota 318 Engine Diagram

I Cannot Get To A Certain Coolant Hose On My 1996 Dodge

Faq

Parts Com U00ae

Where Is The Coolant Bleeder Valve On The 2005 Ram 1500 4 7

Coolant Flow - Dodge Diesel

Repair Guides

Where Is The Ect Sensor On A 2001 Ram Pick Up 3 9l V6

I Have A 2005 Dodge Magnum With Hemi All Of A Sudden The

Metrix U00ae

Replace U00ae

Crown U00ae

Dodge Charger Coolant Reservoir Tank Removal Replacement

Looking For Engine Cooling System Diagrams

Sherman U00ae

Parts Com U00ae

2004 Dodge Stratus Engine Diagram

2005 Magnum Rt Have Checked Bulbs Etc Circuit

4892346ad

Repair Guides

Diagram Of 2007 Dodge Caliber Engine Dodge Wiring

Location Of Thermostat

Dodge Ram 2002

Air Intake For 1995 Dodge Ram 1500

2006 Dodge Magnum Radiator Engine Cooling Maximum Duty

2005 Dodge Magnum Thermostat Location

Slt Dodge Magnum Engine Diagram 1994

New Coolant Water Outlet Air Bleeder

Diagram 2007 Dodge Magnum Engine Coolant Diagram

  • Download 2007 Dodge Magnum Engine Coolant Diagram

    draw.io is free online diagram software for making flowcharts, process diagrams, org charts, UML, ER and network diagrams

    Open and edit diagrams online with Draw.io, a free diagram software supporting various formats and diagram types.

    Create a new diagram, or open an existing diagram in your new tab. To create a new diagram, enter a Diagram Name and click the location where you want to save the file.

    Easily import diagrams from Lucidchart to diagrams.net or draw.io with this simple tool.

    Create and edit diagrams with draw.io, a free diagramming tool that integrates seamlessly with Office 365.

    Create flowcharts and diagrams online with this easy to use software.

    app.diagrams.net

    Access and integrate Google Drive files with Draw.io using the Google Picker tool for seamless diagram creation.

    Clearing Cached version 29.3.4... OK Update Start App

    7.2 The Software will initiate transfers of data forming part of the Diagrams (“Diagram Data”) to services supplied by third parties when you expressly request conversion of Diagrams: a. to another supported file format; and b. to PDF format.

    3 way switch,3 way switch wiring,3 way switch wiring diagram pdf,3 way wiring diagram,3way switch wiring diagram,4 prong dryer outlet wiring diagram,4 prong trailer wiring diagram,6 way trailer wiring diagram,7 pin trailer wiring diagram with brakes,7 pin wiring diagram,alternator wiring diagram,amp wiring diagram,automotive lighting,cable harness,chevrolet,diagram,dodge,doorbell wiring diagram,ecobee wiring diagram,electric motor,electrical connector,electrical wiring,electrical wiring diagram,ford,fuse,honeywell thermostat wiring diagram,ignition system,kenwood car stereo wiring diagram,light switch wiring diagram,lighting,motor wiring diagram,nest doorbell wiring diagram,nest hello wiring diagram,nest labs,nest thermostat,nest thermostat wiring diagram,phone connector,pin,pioneer wiring diagram,plug wiring diagram,pump,radio,radio wiring diagram,relay,relay wiring diagram,resistor,rj45 wiring diagram,schematic,semi-trailer truck,sensor,seven pin trailer wiring diagram,speaker wiring diagram,starter wiring diagram,stereo wiring diagram,stereophonic sound,strat wiring diagram,switch,switch wiring diagram,telecaster wiring diagram,thermostat wiring,thermostat wiring diagram,trailer brake controller,trailer plug wiring diagram,trailer wiring diagram,user guide,wire,wire diagram,wiring diagram,wiring diagram 3 way switch,wiring harness

    close