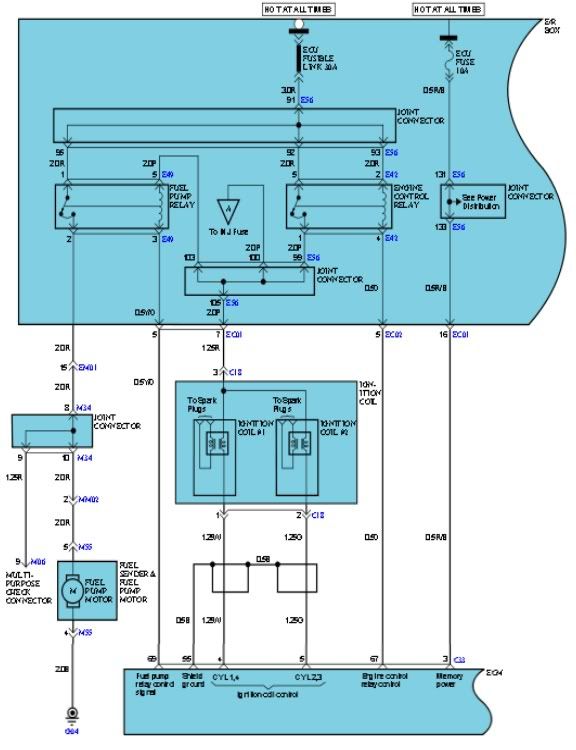
2006 Tiburon Fuel Filter Location

2006 Tiburon Fuel Filter Location

  • Category : Filter Location
  • Post Date : January 26, 2026
2006 Tiburon Fuel Filter Location 9 out of 10 based on 60 ratings. 30 user reviews.

2006 Tiburon Fuel Filter Location

How To Locate And Replace Hyundai Tiburon Cabin Air Filter

Diy Fuel Filters - Page 2

Subaru Fuel Filter Location 2014

Oxygen Sensor For Hyundai Tiburon Elantra Tucson Sportage

2010 Hyundai Accent Wiring Diagram

Diamond Clarity And Color Scale Diamond Cut And Color

How Do You Replace Fuel Pump 2002 Chrysler Pt Cruiser

Chevy Rear Axle Widths Car Maintenance Console Cover

Ryobi 2 Cycle Weed Eater For Sale In North Richland Hills

2009 Nissan Murano Wiring Harness

Rippmods1 1995 Nissan Skyline Specs Photos Modification

03 Chevy Silverado 2500 Hd For Sale In Trinidad Tx

Diagram 2006 Tiburon Fuel Filter Location

  • Download 2006 Tiburon Fuel Filter Location

    draw.io is free online diagram software for making flowcharts, process diagrams, org charts, UML, ER and network diagrams

    Open and edit diagrams online with Draw.io, a free diagram software supporting various formats and diagram types.

    Create a new diagram, or open an existing diagram in your new tab. To create a new diagram, enter a Diagram Name and click the location where you want to save the file.

    Create flowcharts and diagrams online with this easy to use software.

    Create and edit diagrams with draw.io, a free diagramming tool that integrates seamlessly with Office 365.

    app.diagrams.net

    Easily import diagrams from Lucidchart to diagrams.net or draw.io with this simple tool.

    Access and integrate Google Drive files with Draw.io using the Google Picker tool for seamless diagram creation.

    Clearing Cached version 29.3.4... OK Update Start App

    confEmbedUpload=For a better editing experience, please use the regular draw.io macro to insert a blank diagram, then from (File menu → Import From → Device...) select the file you want to upload and embed.

    3 way switch,3 way switch wiring,3 way switch wiring diagram pdf,3 way wiring diagram,3way switch wiring diagram,4 prong dryer outlet wiring diagram,4 prong trailer wiring diagram,6 way trailer wiring diagram,7 pin trailer wiring diagram with brakes,7 pin wiring diagram,alternator wiring diagram,amp wiring diagram,automotive lighting,cable harness,chevrolet,diagram,dodge,doorbell wiring diagram,ecobee wiring diagram,electric motor,electrical connector,electrical wiring,electrical wiring diagram,ford,fuse,honeywell thermostat wiring diagram,ignition system,kenwood car stereo wiring diagram,light switch wiring diagram,lighting,motor wiring diagram,nest doorbell wiring diagram,nest hello wiring diagram,nest labs,nest thermostat,nest thermostat wiring diagram,phone connector,pin,pioneer wiring diagram,plug wiring diagram,pump,radio,radio wiring diagram,relay,relay wiring diagram,resistor,rj45 wiring diagram,schematic,semi-trailer truck,sensor,seven pin trailer wiring diagram,speaker wiring diagram,starter wiring diagram,stereo wiring diagram,stereophonic sound,strat wiring diagram,switch,switch wiring diagram,telecaster wiring diagram,thermostat wiring,thermostat wiring diagram,trailer brake controller,trailer plug wiring diagram,trailer wiring diagram,user guide,wire,wire diagram,wiring diagram,wiring diagram 3 way switch,wiring harness

    close