2001 Jeep Heater Control Diagram

2001 Jeep Heater Control Diagram

  • Category : Control Diagram
  • Post Date : January 26, 2026
2001 Jeep Heater Control Diagram 9 out of 10 based on 10 ratings. 40 user reviews.

2001 Jeep Heater Control Diagram

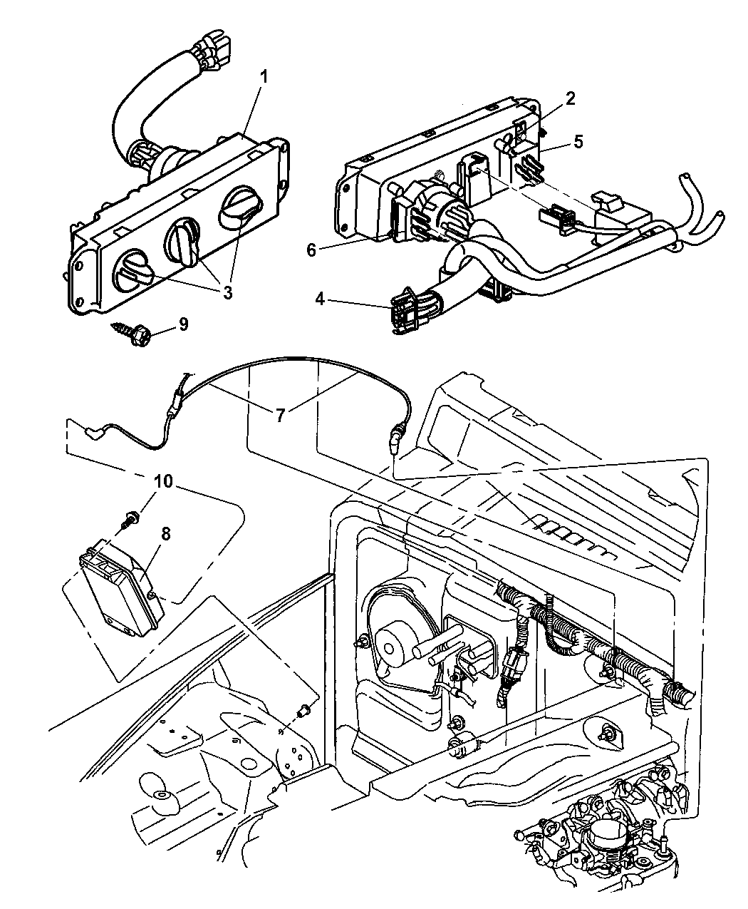
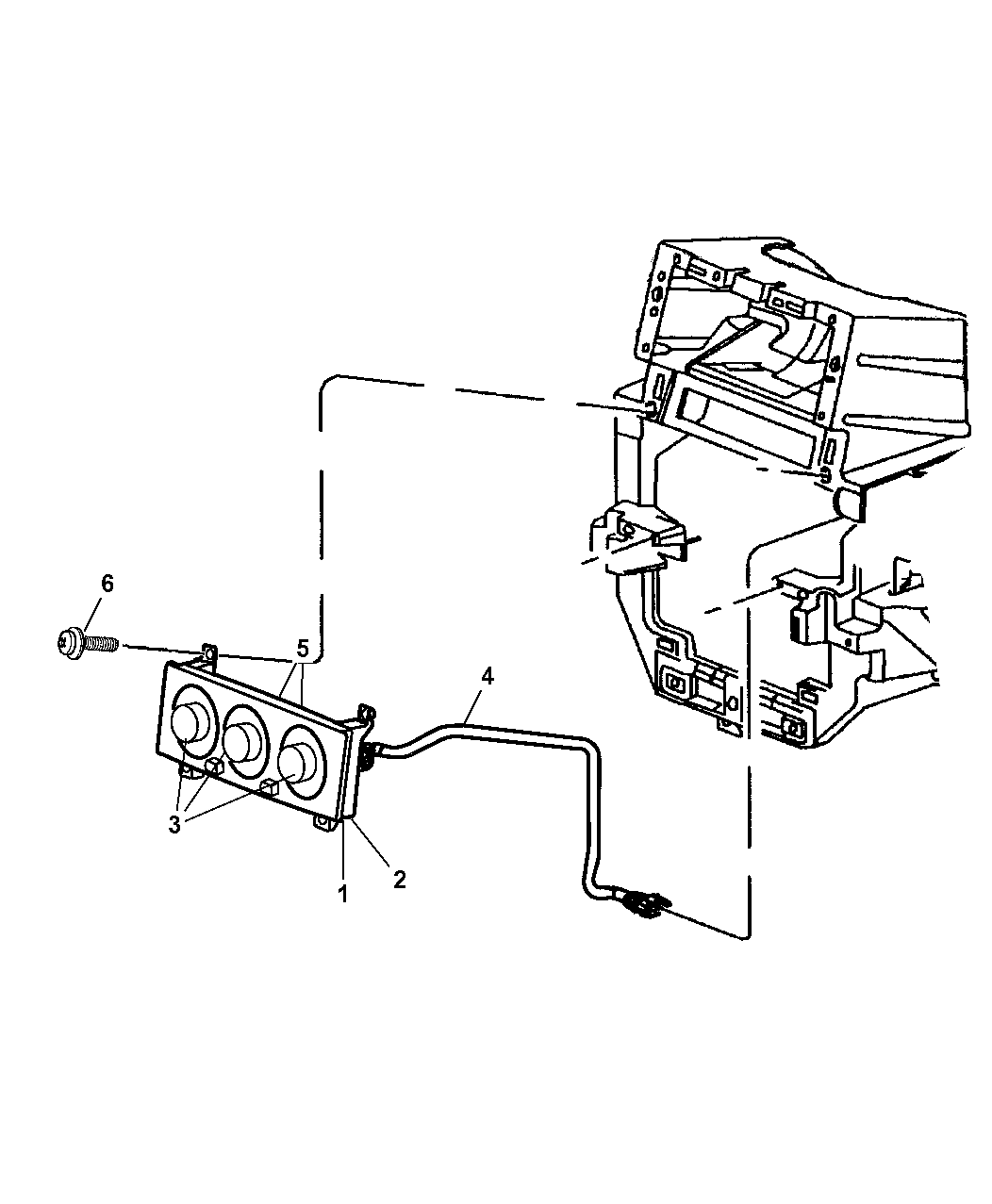
I Need A Diagram For The Heater Control Cables So I

Picture Of Heater Box And How Defrost Control Work

5183281aa - Genuine Jeep Knob-a C And Heater Control

55037201

Heater Issues On 97 Cherokee And Its Cold Help

5013124aa C Control

A C-heater System -manual 1984

5102268aa

68004193aa

Heater System 1993 Jeep Cherokee Xj Jeep

Heater System 1993 Jeep Cherokee Xj Jeep

Heat U0026 A C Control Switch Schematic

Jeep Wrangler Sport Blower Motor Not Working On 2006 Jeep

Heater System 1984

Jeep Yj Heater Diagram

Heater Control Valve Bypass

Peterbilt Cooling Fan Wiring

68004016aa C And Heater Air

2015 Jeep Wrangler A C U0026 Heater Unit

I Need A Diagram For The Heater Control Cables So I

56000724ab C And Heater

Jeep Grand Cherokee Questions

I Am Looking For A Vaccum Line Scheamtic For An89 Jeep

I Have A 2004 Jeep Liberty With 3 7 Engine With Manual

Heater Control Vacuum Supply

How To Fix A Short Circuit Or Whatever In My Jeep Wrangler

55111010ak

Repair Guides

Replace The Heater Blower Motor Same For Changing

Jeep Cj

Heater Issue

U0026 39 86 Cj-7 Vent Heater Controls

Jeep Yj Heater Cable Diagram

1987 Jeep Cherokee Control Heater Control Heater And A

New Heater Control Valve Leaks Again

The Heater Fan Does Not Work In My 2000 Jeep Wrangler

55111842ad

15 Best Jeep Jk Parts Diagrams Images On Pinterest

Lt1 Camaro Heater Hose Diagram

5011343ab C And Heater

Jeep 2005 Defrost Is The Only Function No Change When

Jeep Cj7 Heater Box Diagram Jeep Auto Parts Catalog And

Free Download Program Jeep Cherokee Sport Repair Manual

Xj Heat Not Blowing Pre

Air Blows Out Defrost Only Hello I Have A 2005 Jeep

Heater Control For 2014 Jeep Compass

Diagram 2001 Jeep Heater Control Diagram

  • Download 2001 Jeep Heater Control Diagram

    draw.io is free online diagram software for making flowcharts, process diagrams, org charts, UML, ER and network diagrams

    Open and edit diagrams online with Draw.io, a free diagram software supporting various formats and diagram types.

    Create a new diagram, or open an existing diagram in your new tab. To create a new diagram, enter a Diagram Name and click the location where you want to save the file.

    Create flowcharts and diagrams online with this easy to use software.

    Create and edit diagrams with draw.io, a free diagramming tool that integrates seamlessly with Office 365.

    app.diagrams.net

    Easily import diagrams from Lucidchart to diagrams.net or draw.io with this simple tool.

    Access and integrate Google Drive files with Draw.io using the Google Picker tool for seamless diagram creation.

    Clearing Cached version 29.3.4... OK Update Start App

    confEmbedUpload=For a better editing experience, please use the regular draw.io macro to insert a blank diagram, then from (File menu → Import From → Device...) select the file you want to upload and embed.

    3 way switch,3 way switch wiring,3 way switch wiring diagram pdf,3 way wiring diagram,3way switch wiring diagram,4 prong dryer outlet wiring diagram,4 prong trailer wiring diagram,6 way trailer wiring diagram,7 pin trailer wiring diagram with brakes,7 pin wiring diagram,alternator wiring diagram,amp wiring diagram,automotive lighting,cable harness,chevrolet,diagram,dodge,doorbell wiring diagram,ecobee wiring diagram,electric motor,electrical connector,electrical wiring,electrical wiring diagram,ford,fuse,honeywell thermostat wiring diagram,ignition system,kenwood car stereo wiring diagram,light switch wiring diagram,lighting,motor wiring diagram,nest doorbell wiring diagram,nest hello wiring diagram,nest labs,nest thermostat,nest thermostat wiring diagram,phone connector,pin,pioneer wiring diagram,plug wiring diagram,pump,radio,radio wiring diagram,relay,relay wiring diagram,resistor,rj45 wiring diagram,schematic,semi-trailer truck,sensor,seven pin trailer wiring diagram,speaker wiring diagram,starter wiring diagram,stereo wiring diagram,stereophonic sound,strat wiring diagram,switch,switch wiring diagram,telecaster wiring diagram,thermostat wiring,thermostat wiring diagram,trailer brake controller,trailer plug wiring diagram,trailer wiring diagram,user guide,wire,wire diagram,wiring diagram,wiring diagram 3 way switch,wiring harness

    close