1999 Dodge Grand Caravan Brake Diagram

1999 Dodge Grand Caravan Brake Diagram

  • Category : Brake Diagram
  • Post Date : January 27, 2026
1999 Dodge Grand Caravan Brake Diagram 9 out of 10 based on 60 ratings. 20 user reviews.

1999 Dodge Grand Caravan Brake Diagram

I Have A 1998 Dodge Grand Caravan And I Need A Diagram To Show Me Where The Brake Light Switch

68184746ae

Booster Power Brake For 1999 Dodge Grand Caravan

Do You Have A Rear Drum Brake Illustration For 1995 Dodge Grand Caravan A Good Up Close Picture

Technical Car Experts Answers Everything You Need Brake Line Diagram For Dodge Caravan 3 8

4683769aa

Technical Car Experts Answers Everything You Need Brake Line Diagram For Dodge Caravan 3 8

5142251aa

2005 Dodge Grand Caravan Brakes Rear Disc

4877755ab

Master Cylinder For 1993 Dodge Grand Caravan

Parts Com U00ae

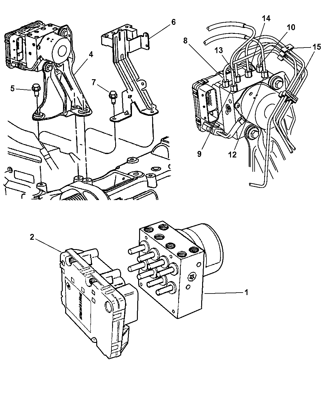
2012 Dodge Grand Caravan Hydraulic Control Unit Module Anti-lock Brake System

2008 Dodge Grand Caravan Parts

2005 Dodge Caravan Rear Brakes Diagram Pictures To Pin On Pinterest

2007 Dodge Grand Caravan Adjuster Parking Brake Disc Brakes Rear

Schematics And Diagrams 1996 Dodge Grand Caravan Parking Brake Cable Broken

V2013059ac

4779783ab

I Can U0026 39 T Seem To Get The Drum To Turn Freely On The Right Rear Of My Van What Is Likely The Problem

How Do I Remove A Rear Driver Side Rotor To Replace A Wheel Stud

2018 Dodge Grand Caravan Hose Brake Right Rear Brakes Hoses Tubes

Brake System My 1997 Dodge Grand Caravan Right Front Disk Brake

1999 Dodge Grand Caravan Booster Power Brake Disc Front Rear

2006 Dodge Grand Caravan Cables Rear Parking Brake

1999 Dodge Grand Caravan Lines U0026 Hoses Brake

Dodge Grand Caravan Equalizer Parking Brake Cable Cablesrear

2009 Dodge Grand Caravan Module Anti

2002 Dodge Grand Caravan Cable Parking Brake Left Left Rear

Brake Lines

I Am Not Sure Which Fuse To Check Or The Possible Cause Of The Problem Tail Lights And Signals

1990 Dodge Caravan Wiring Diagram

2009 Dodge Grand Caravan Module Anti-lock Brake System Tubes Front Modules

Technical Car Experts Answers Everything You Need Brake Line Diagram For Dodge Caravan 3 8

Centric U00ae

Diagram 1999 Dodge Grand Caravan Brake Diagram

  • Download 1999 Dodge Grand Caravan Brake Diagram

    draw.io is free online diagram software for making flowcharts, process diagrams, org charts, UML, ER and network diagrams

    Open and edit diagrams online with Draw.io, a free diagram software supporting various formats and diagram types.

    Create a new diagram, or open an existing diagram in your new tab. To create a new diagram, enter a Diagram Name and click the location where you want to save the file.

    Create flowcharts and diagrams online with this easy to use software.

    Create and edit diagrams with draw.io, a free diagramming tool that integrates seamlessly with Office 365.

    Easily import diagrams from Lucidchart to diagrams.net or draw.io with this simple tool.

    Access and integrate Google Drive files with Draw.io using the Google Picker tool for seamless diagram creation.

    Clearing Cached version 29.3.4... OK Update Start App

    confEmbedUpload=For a better editing experience, please use the regular draw.io macro to insert a blank diagram, then from (File menu → Import From → Device...) select the file you want to upload and embed.

    If you enter personal information into a diagram and perform an action that requires us to send that diagram to a server for processing, your personal data may be processed on that server, but never stored.

    3 way switch,3 way switch wiring,3 way switch wiring diagram pdf,3 way wiring diagram,3way switch wiring diagram,4 prong dryer outlet wiring diagram,4 prong trailer wiring diagram,6 way trailer wiring diagram,7 pin trailer wiring diagram with brakes,7 pin wiring diagram,alternator wiring diagram,amp wiring diagram,automotive lighting,cable harness,chevrolet,diagram,dodge,doorbell wiring diagram,ecobee wiring diagram,electric motor,electrical connector,electrical wiring,electrical wiring diagram,ford,fuse,honeywell thermostat wiring diagram,ignition system,kenwood car stereo wiring diagram,light switch wiring diagram,lighting,motor wiring diagram,nest doorbell wiring diagram,nest hello wiring diagram,nest labs,nest thermostat,nest thermostat wiring diagram,phone connector,pin,pioneer wiring diagram,plug wiring diagram,pump,radio,radio wiring diagram,relay,relay wiring diagram,resistor,rj45 wiring diagram,schematic,semi-trailer truck,sensor,seven pin trailer wiring diagram,speaker wiring diagram,starter wiring diagram,stereo wiring diagram,stereophonic sound,strat wiring diagram,switch,switch wiring diagram,telecaster wiring diagram,thermostat wiring,thermostat wiring diagram,trailer brake controller,trailer plug wiring diagram,trailer wiring diagram,user guide,wire,wire diagram,wiring diagram,wiring diagram 3 way switch,wiring harness

    close