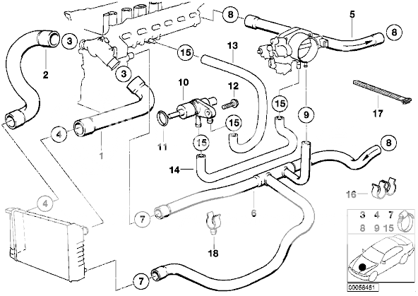
1995 Bmw 525i Heater Hose Diagram

1995 Bmw 525i Heater Hose Diagram

  • Category : Hose Diagram
  • Post Date : January 27, 2026
1995 Bmw 525i Heater Hose Diagram 9 out of 10 based on 70 ratings. 40 user reviews.

1995 Bmw 525i Heater Hose Diagram

Want To Replace Cooling System Heater Hoses

Original Parts For E60 525i M54 Sedan Engine Cooling

How Many Heater Hoses Do We Have - Bimmerfest

Original Parts For E39 525i M54 Touring Engine Cooling

Want To Replace Cooling System Heater Hoses

Original Parts For E34 520i M20 Sedan Engine Cooling

Want To Replace Cooling System Heater Hoses

Original Parts For E38 728i M52 Sedan Heater And Air

Bmw 525i Heater Inlet Pipe Cooling Hoses Engine

Bmw 328i Water Hose Cooling Hoses Engine

How Many Heater Hoses Do We Have - Bimmerfest

Original Parts For E39 520d M47 Sedan Heater And Air

Original Parts For E60 525i N52 Sedan Radiator Cooling

Piese Originale Pentru E46 330d M57n Touring Heater And

Realoem Com

Realoem Com

2006 Bmw 525i Hose Cylinder Head

Want To Replace Cooling System Heater Hoses

Original Parts For E46 320d M47 Touring Heater And Air

Bmw E30 320 325i E28 520i 525e E34 520 525i M20 Eng

Original Parts For E53 X5 3 0d M57n Sav Heater And Air

Genuine Bmw E38 E39 E53 Heater Control Valve Dual Solenoid

Original Parts For E60 530i M54 Sedan Radiator Cooling

Bmw 3-series E36 1992-1999

Original Parts For E46 318ti N46 Compact Radiator Water

Original Parts For E70 X5 4 8i N62n Sav Radiator

Tms215344 Xi Manual Transmission Cooling

Genuine Bmw E60 E63 E64 Cooling System Water Hose Vent

Tms215350 Xi Auto Transmission Cooling Overhaul

My 2003 Bmw 540i Has A Coolant Pressure Leak The Fitting

E60 Automatic Radiator Differences

How Many Heater Hoses Do We Have - Bimmerfest

Bmw E31 840ci Heater Valves And Heater Hoses Replacement

Bmw E39 525i 530i 535i 540i Radiator Lower Pipe Hose

Bmw 1995 525i Heater Props - General Discussion

Cooling System Water Hoses

Working On A 325i 1995 Noticed Steam Escaping At The

2003 X5 4 4i Coolant Leak

Genuine Bmw Hose For Heater Control Valve And Left

Genuine Bmw E36 Z3 Cabrio Coupe Heater Control Valve

525i Radiator Replacement

Water Valve Water Hose Bmw 5 U0026 39 E34 525i M50 U2014 Bmw Parts

Original Parts For E36 320i M50 Sedan Engine Cooling

Bmw E39 5

Bmw 11537544638 Genuine Oem Outlet Hose

Bmw E46

Original Parts For E39 530d M57 Touring Heater And Air

Original Parts For E70 X5 4 8i N62n Sav Heater And Air

Original Parts For E39 525tds M51 Touring Engine

Original Parts For E38 750ils M73 Sedan Engine Cooling

Bmw 11537609944 Genuine Oem Heater Hose

Diagram 1995 Bmw 525i Heater Hose Diagram

  • Download 1995 Bmw 525i Heater Hose Diagram

    draw.io is free online diagram software for making flowcharts, process diagrams, org charts, UML, ER and network diagrams

    Open and edit diagrams online with Draw.io, a free diagram software supporting various formats and diagram types.

    Create a new diagram, or open an existing diagram in your new tab. To create a new diagram, enter a Diagram Name and click the location where you want to save the file.

    Create flowcharts and diagrams online with this easy to use software.

    Create and edit diagrams with draw.io, a free diagramming tool that integrates seamlessly with Office 365.

    Easily import diagrams from Lucidchart to diagrams.net or draw.io with this simple tool.

    Access and integrate Google Drive files with Draw.io using the Google Picker tool for seamless diagram creation.

    Clearing Cached version 29.3.4... OK Update Start App

    confEmbedUpload=For a better editing experience, please use the regular draw.io macro to insert a blank diagram, then from (File menu → Import From → Device...) select the file you want to upload and embed.

    If you enter personal information into a diagram and perform an action that requires us to send that diagram to a server for processing, your personal data may be processed on that server, but never stored.

    3 way switch,3 way switch wiring,3 way switch wiring diagram pdf,3 way wiring diagram,3way switch wiring diagram,4 prong dryer outlet wiring diagram,4 prong trailer wiring diagram,6 way trailer wiring diagram,7 pin trailer wiring diagram with brakes,7 pin wiring diagram,alternator wiring diagram,amp wiring diagram,automotive lighting,cable harness,chevrolet,diagram,dodge,doorbell wiring diagram,ecobee wiring diagram,electric motor,electrical connector,electrical wiring,electrical wiring diagram,ford,fuse,honeywell thermostat wiring diagram,ignition system,kenwood car stereo wiring diagram,light switch wiring diagram,lighting,motor wiring diagram,nest doorbell wiring diagram,nest hello wiring diagram,nest labs,nest thermostat,nest thermostat wiring diagram,phone connector,pin,pioneer wiring diagram,plug wiring diagram,pump,radio,radio wiring diagram,relay,relay wiring diagram,resistor,rj45 wiring diagram,schematic,semi-trailer truck,sensor,seven pin trailer wiring diagram,speaker wiring diagram,starter wiring diagram,stereo wiring diagram,stereophonic sound,strat wiring diagram,switch,switch wiring diagram,telecaster wiring diagram,thermostat wiring,thermostat wiring diagram,trailer brake controller,trailer plug wiring diagram,trailer wiring diagram,user guide,wire,wire diagram,wiring diagram,wiring diagram 3 way switch,wiring harness

    close