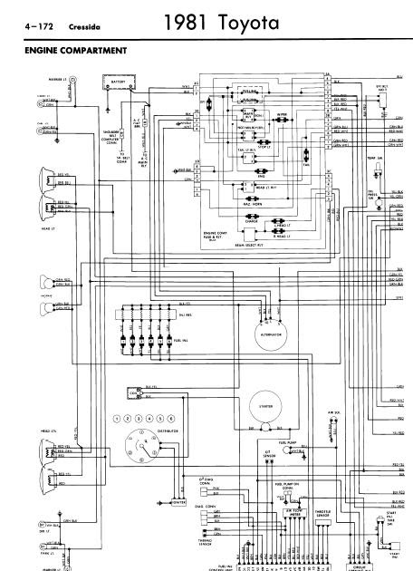
1981 Toyota Cressida Wiring Diagram Manual Original

1981 Toyota Cressida Wiring Diagram Manual Original

  • Category : Manual Original
  • Post Date : January 27, 2026
1981 Toyota Cressida Wiring Diagram Manual Original 9 out of 10 based on 40 ratings. 70 user reviews.

1981 Toyota Cressida Wiring Diagram Manual Original

1989 Toyota Cressida Wiring Diagram Manual Original

1985 Toyota Cressida Wiring Diagram Manual Original

1984 Toyota Cressida Wiring Diagram Manual Original

1992 Toyota Cressida Wiring Diagram Manual Original

1988 Toyota Cressida Wiring Diagram Manual Original

1983 Toyota Cressida Wiring Diagram Manual Original

1981 Toyota Cressida Wiring Diagram Manual Original

1985 Toyota Cressida Wagon Wiring Diagram Manual Original

1987 Toyota Cressida Wiring Diagram Manual Original

1990 Toyota Cressida Repair Shop Manual Original

Repair

Repair

Repair

Repair

1987 Toyota Cressida Electrical Wiring Diagrams Original

1985 Toyota Celica Supra Wiring Diagram Manual Original

1991 Toyota Cressida Wiring Diagram Manual Original

1989 Toyota Cressida Wiring Diagram Manual Original

1986 Toyota Celica Wiring Diagram Manual Original

1988 Toyota Cressida Service Manual

1984 Toyota Starlet Wiring Diagram Manual Original

Wiring Diagram For 83 Toyota Cressida

Toyota Cressida Repair Manual Pdf

Wiring Diagram For 83 Toyota Cressida

Toyota Land Cruiser Electrical Troubleshooting Manual

85 Mx73 Crank But No Start Questions

Diagram 1981 Toyota Cressida Wiring Diagram Manual Original

  • Download 1981 Toyota Cressida Wiring Diagram Manual Original

    draw.io is free online diagram software for making flowcharts, process diagrams, org charts, UML, ER and network diagrams

    Open and edit diagrams online with Draw.io, a free diagram software supporting various formats and diagram types.

    Create a new diagram, or open an existing diagram in your new tab. To create a new diagram, enter a Diagram Name and click the location where you want to save the file.

    Create flowcharts and diagrams online with this easy to use software.

    Create and edit diagrams with draw.io, a free diagramming tool that integrates seamlessly with Office 365.

    Easily import diagrams from Lucidchart to diagrams.net or draw.io with this simple tool.

    Access and integrate Google Drive files with Draw.io using the Google Picker tool for seamless diagram creation.

    Clearing Cached version 29.3.4... OK Update Start App

    confEmbedUpload=For a better editing experience, please use the regular draw.io macro to insert a blank diagram, then from (File menu → Import From → Device...) select the file you want to upload and embed.

    If you enter personal information into a diagram and perform an action that requires us to send that diagram to a server for processing, your personal data may be processed on that server, but never stored.

    3 way switch,3 way switch wiring,3 way switch wiring diagram pdf,3 way wiring diagram,3way switch wiring diagram,4 prong dryer outlet wiring diagram,4 prong trailer wiring diagram,6 way trailer wiring diagram,7 pin trailer wiring diagram with brakes,7 pin wiring diagram,alternator wiring diagram,amp wiring diagram,automotive lighting,cable harness,chevrolet,diagram,dodge,doorbell wiring diagram,ecobee wiring diagram,electric motor,electrical connector,electrical wiring,electrical wiring diagram,ford,fuse,honeywell thermostat wiring diagram,ignition system,kenwood car stereo wiring diagram,light switch wiring diagram,lighting,motor wiring diagram,nest doorbell wiring diagram,nest hello wiring diagram,nest labs,nest thermostat,nest thermostat wiring diagram,phone connector,pin,pioneer wiring diagram,plug wiring diagram,pump,radio,radio wiring diagram,relay,relay wiring diagram,resistor,rj45 wiring diagram,schematic,semi-trailer truck,sensor,seven pin trailer wiring diagram,speaker wiring diagram,starter wiring diagram,stereo wiring diagram,stereophonic sound,strat wiring diagram,switch,switch wiring diagram,telecaster wiring diagram,thermostat wiring,thermostat wiring diagram,trailer brake controller,trailer plug wiring diagram,trailer wiring diagram,user guide,wire,wire diagram,wiring diagram,wiring diagram 3 way switch,wiring harness

    close