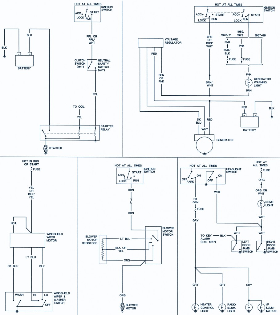
1978 Jeep Cj7 Fuse Box

1978 Jeep Cj7 Fuse Box

  • Category : Fuse Box
  • Post Date : January 26, 2026
1978 Jeep Cj7 Fuse Box 9 out of 10 based on 20 ratings. 90 user reviews.

1978 Jeep Cj7 Fuse Box

Headlight And Horn Fuse Location

1978 Cj 5 Turn Siganl Failure

Jeep Cj7 V8 1983 Fuse Box Block Circuit Breaker Diagram

Turn Signals Dsc 0182

Wire Adapter For Ac To Fuse Port

Dash Lights For Dummies

Index Of Wp Uploads 2012 02

Purchase Used 1979 Jeep Cj7 Beautiful Condition Lots Of

1997 Lincoln Continental Under Hood Fuse Box I Need A

Starter Works But Ignition Doesn U0026 39 T

Fuel System Fuel Pump Relay Keeps Burning Out

86 Cj7 Heater Core Leak

1981 Jeep Cj7 Sahara Edition 4x4

Diagram 1978 Jeep Cj7 Fuse Box

  • Download 1978 Jeep Cj7 Fuse Box

    draw.io is free online diagram software for making flowcharts, process diagrams, org charts, UML, ER and network diagrams

    Open and edit diagrams online with Draw.io, a free diagram software supporting various formats and diagram types.

    Create a new diagram, or open an existing diagram in your new tab. To create a new diagram, enter a Diagram Name and click the location where you want to save the file.

    Create flowcharts and diagrams online with this easy to use software.

    Create and edit diagrams with draw.io, a free diagramming tool that integrates seamlessly with Office 365.

    app.diagrams.net

    Easily import diagrams from Lucidchart to diagrams.net or draw.io with this simple tool.

    Access and integrate Google Drive files with Draw.io using the Google Picker tool for seamless diagram creation.

    Clearing Cached version 29.3.4... OK Update Start App

    confEmbedUpload=For a better editing experience, please use the regular draw.io macro to insert a blank diagram, then from (File menu → Import From → Device...) select the file you want to upload and embed.

    3 way switch,3 way switch wiring,3 way switch wiring diagram pdf,3 way wiring diagram,3way switch wiring diagram,4 prong dryer outlet wiring diagram,4 prong trailer wiring diagram,6 way trailer wiring diagram,7 pin trailer wiring diagram with brakes,7 pin wiring diagram,alternator wiring diagram,amp wiring diagram,automotive lighting,cable harness,chevrolet,diagram,dodge,doorbell wiring diagram,ecobee wiring diagram,electric motor,electrical connector,electrical wiring,electrical wiring diagram,ford,fuse,honeywell thermostat wiring diagram,ignition system,kenwood car stereo wiring diagram,light switch wiring diagram,lighting,motor wiring diagram,nest doorbell wiring diagram,nest hello wiring diagram,nest labs,nest thermostat,nest thermostat wiring diagram,phone connector,pin,pioneer wiring diagram,plug wiring diagram,pump,radio,radio wiring diagram,relay,relay wiring diagram,resistor,rj45 wiring diagram,schematic,semi-trailer truck,sensor,seven pin trailer wiring diagram,speaker wiring diagram,starter wiring diagram,stereo wiring diagram,stereophonic sound,strat wiring diagram,switch,switch wiring diagram,telecaster wiring diagram,thermostat wiring,thermostat wiring diagram,trailer brake controller,trailer plug wiring diagram,trailer wiring diagram,user guide,wire,wire diagram,wiring diagram,wiring diagram 3 way switch,wiring harness

    close