1975 Johnson 70 Wire Diagram

1975 Johnson 70 Wire Diagram

  • Category : Wire Diagram
  • Post Date : January 26, 2026
1975 Johnson 70 Wire Diagram 9 out of 10 based on 10 ratings. 90 user reviews.

1975 Johnson 70 Wire Diagram

1981 70 Hp Johnson Outboard Page 1

Mastertech Marine

Mastertech Marine

Mastertech Marine

Evinrude Johnson Outboard Wiring Diagrams

6 Best Images Of Evinrude Wiring Harness Diagram

70 U0026 39 S 65 Hp Johnson Safety Switch Bypass Page 1

Evinrude Johnson Outboard Wiring Diagrams

1989 Johnson 110 Vro Electrical Diagram Page 1

Evinrude Wiring Harness Diagram

70 Hp Johnson Outboard Motor Troubleshooting

Johnson Outboard Wiring Diagram Pdf U2014 Untpikapps

Diagrama Evinrude Johnson 1985 90 115 Tnt 2

70 1989 Overheating Horn Wont Go Off When Engine Is Not Running How To Fix

Trim Gauge 1998 Johnson 115 What Colour On Wire To I G And S Terminals On The Gauge

Mastertech Marine

Having Just Completed My Beach Buggy I Am Now Starting To Rebuild A Evinrude 1970 71 70hp

I Need A Wiring Diagram For A 1993 Johnson 115 The Engine Side Of Things Model Number

Mastertech Marine

1970 U0026 39 Ish 60hp Johnson Hydroelectric Shift Starter Solenoid Help Page 1

Johnson Outboard Motor Year Identification

I Have A 1981 Outboard With Power Trim And Tilt When You Press The Trim Button The Solenoid

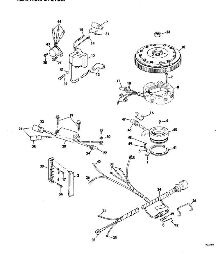
Johnson Ignition System Parts For 1978 70hp 70el78c Outboard Motor

70 Hp Johnson Outboard Motor Troubleshooting

Diagram 1989 70 Hp Evinrude Wiring Diagram Full Version Hd Quality Wiring Diagram

Johnson 2001 70 - J70vlsis Elec Start Tnt 20 In Shaft Power Trim Tilt Electrical

Johnson Ignition System Parts For 1980 70hp J70elcsa Outboard Motor

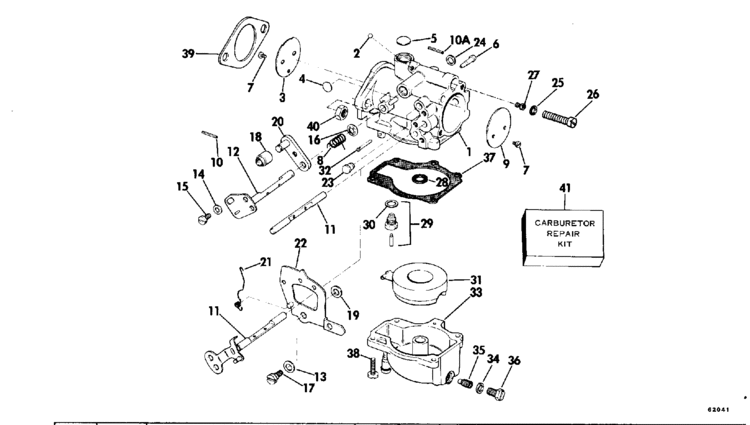
Johnson Carburetor Parts For 1976 70hp 70el76d Outboard Motor

Circuit Maker 2000 Serial Number Propchesni

Johnson Ignition System Parts For 2001 70hp J70plsis Outboard Motor

Johnson 2005 70 - J70pl4soa Electrical Harness

I Have A Hydra Sport 212 With Evinrude 175 Hp 1998 Ficht I Have A Electrical Problem It Started

Johnson Remote Control Parts For 1977 70hp 70el77s Outboard Motor

Diagram 1975 Johnson 70 Wire Diagram

  • Download 1975 Johnson 70 Wire Diagram

    draw.io is free online diagram software for making flowcharts, process diagrams, org charts, UML, ER and network diagrams

    Open and edit diagrams online with Draw.io, a free diagram software supporting various formats and diagram types.

    Create a new diagram, or open an existing diagram in your new tab. To create a new diagram, enter a Diagram Name and click the location where you want to save the file.

    Create flowcharts and diagrams online with this easy to use software.

    Create and edit diagrams with draw.io, a free diagramming tool that integrates seamlessly with Office 365.

    app.diagrams.net

    Easily import diagrams from Lucidchart to diagrams.net or draw.io with this simple tool.

    Access and integrate Google Drive files with Draw.io using the Google Picker tool for seamless diagram creation.

    Clearing Cached version 29.3.4... OK Update Start App

    confEmbedUpload=For a better editing experience, please use the regular draw.io macro to insert a blank diagram, then from (File menu → Import From → Device...) select the file you want to upload and embed.

    3 way switch,3 way switch wiring,3 way switch wiring diagram pdf,3 way wiring diagram,3way switch wiring diagram,4 prong dryer outlet wiring diagram,4 prong trailer wiring diagram,6 way trailer wiring diagram,7 pin trailer wiring diagram with brakes,7 pin wiring diagram,alternator wiring diagram,amp wiring diagram,automotive lighting,cable harness,chevrolet,diagram,dodge,doorbell wiring diagram,ecobee wiring diagram,electric motor,electrical connector,electrical wiring,electrical wiring diagram,ford,fuse,honeywell thermostat wiring diagram,ignition system,kenwood car stereo wiring diagram,light switch wiring diagram,lighting,motor wiring diagram,nest doorbell wiring diagram,nest hello wiring diagram,nest labs,nest thermostat,nest thermostat wiring diagram,phone connector,pin,pioneer wiring diagram,plug wiring diagram,pump,radio,radio wiring diagram,relay,relay wiring diagram,resistor,rj45 wiring diagram,schematic,semi-trailer truck,sensor,seven pin trailer wiring diagram,speaker wiring diagram,starter wiring diagram,stereo wiring diagram,stereophonic sound,strat wiring diagram,switch,switch wiring diagram,telecaster wiring diagram,thermostat wiring,thermostat wiring diagram,trailer brake controller,trailer plug wiring diagram,trailer wiring diagram,user guide,wire,wire diagram,wiring diagram,wiring diagram 3 way switch,wiring harness

    close