1969 Dodge Steering Diagram Wiring Schematic

1969 Dodge Steering Diagram Wiring Schematic

  • Category : Wiring Schematic
  • Post Date : January 26, 2026
1969 Dodge Steering Diagram Wiring Schematic 9 out of 10 based on 40 ratings. 60 user reviews.

1969 Dodge Steering Diagram Wiring Schematic

Need Wiring Dig Steering Column 83 Dodge Ram Van

2002 Dodge Ram 1500 Steering Column Diagram

Where Can I Get A Diagram Of 1987 Dodge Dakota Steering

Technical Car Experts Answers Everything You Need 1992

1969 Dodge Steering Diagram Wiring Schematic

2004 Dodge Ram 1500 Steering Column Diagram

2002 Dodge Ram 1500 Steering Column Diagram

4897478ac

Steering Column Diagram Schematic Anyone

I Need To Know How To Hook Steering Column Back Up One

1969 Dodge Steering Diagram Wiring Schematic

Dodge D100

1969 Dodge Steering Diagram Wiring Schematic

I Have A 1985 Dodge Ramcharger The Tilt Steering Column

56046252ae

Need Color Coded Wiring Diagram For 1999 Dakota W Tilt

Need Color Coded Wiring Diagram For 1999 Dakota W Tilt

Steering Column Wiring Colors - Dodge Diesel

Parts Com U00ae

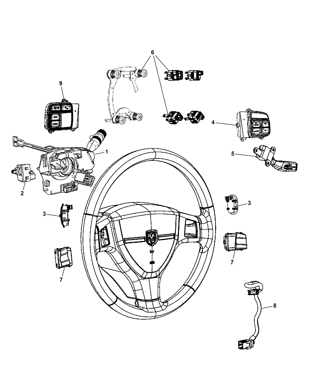
Steering Column Diagram

Need Color Coded Wiring Diagram For 1999 Dakota W Tilt

Qk45xdv

Repair Guides

Steering Column Diagram

4163068

1rj36xdvaf

2004 Dodge Ram 1500 Steering Column Diagram

Wiring Diagrams - Dodge Diesel

I Need Wiring Diagram For Headlight Wirring Connection In

Steering Column Diagram

2005 Dodge Neon Power Steering Belt Diagram

1970 Dodge Charger Steering Column Wiring

1970 Dodge Charger Steering Column Wiring

2002 Dodge Ram 1500 Steering Column Diagram

1962 Dodge Pickup Truck Wiring Diagram

Need Color Coded Wiring Diagram For 1999 Dakota W Tilt

1999 Caravan With Radio Controls On Steering Wheel I Have

Chevy Ignition Switch Wiring Help Hot Rod Forum Hotrodders

Wiring

Ram Srt10 2004

Solved 1970 Dodge Truck Ignition Switch Wiring Diagram

I Need A Wiring Diagram For A 2012 Dodge Ram 1500

2005 Dodge Neon Power Steering Belt Diagram

Diagram 1969 Dodge Steering Diagram Wiring Schematic

  • Download 1969 Dodge Steering Diagram Wiring Schematic

    draw.io is free online diagram software for making flowcharts, process diagrams, org charts, UML, ER and network diagrams

    Open and edit diagrams online with Draw.io, a free diagram software supporting various formats and diagram types.

    Create a new diagram, or open an existing diagram in your new tab. To create a new diagram, enter a Diagram Name and click the location where you want to save the file.

    Create flowcharts and diagrams online with this easy to use software.

    Create and edit diagrams with draw.io, a free diagramming tool that integrates seamlessly with Office 365.

    app.diagrams.net

    Easily import diagrams from Lucidchart to diagrams.net or draw.io with this simple tool.

    Access and integrate Google Drive files with Draw.io using the Google Picker tool for seamless diagram creation.

    Clearing Cached version 29.3.4... OK Update Start App

    confEmbedUpload=For a better editing experience, please use the regular draw.io macro to insert a blank diagram, then from (File menu → Import From → Device...) select the file you want to upload and embed.

    3 way switch,3 way switch wiring,3 way switch wiring diagram pdf,3 way wiring diagram,3way switch wiring diagram,4 prong dryer outlet wiring diagram,4 prong trailer wiring diagram,6 way trailer wiring diagram,7 pin trailer wiring diagram with brakes,7 pin wiring diagram,alternator wiring diagram,amp wiring diagram,automotive lighting,cable harness,chevrolet,diagram,dodge,doorbell wiring diagram,ecobee wiring diagram,electric motor,electrical connector,electrical wiring,electrical wiring diagram,ford,fuse,honeywell thermostat wiring diagram,ignition system,kenwood car stereo wiring diagram,light switch wiring diagram,lighting,motor wiring diagram,nest doorbell wiring diagram,nest hello wiring diagram,nest labs,nest thermostat,nest thermostat wiring diagram,phone connector,pin,pioneer wiring diagram,plug wiring diagram,pump,radio,radio wiring diagram,relay,relay wiring diagram,resistor,rj45 wiring diagram,schematic,semi-trailer truck,sensor,seven pin trailer wiring diagram,speaker wiring diagram,starter wiring diagram,stereo wiring diagram,stereophonic sound,strat wiring diagram,switch,switch wiring diagram,telecaster wiring diagram,thermostat wiring,thermostat wiring diagram,trailer brake controller,trailer plug wiring diagram,trailer wiring diagram,user guide,wire,wire diagram,wiring diagram,wiring diagram 3 way switch,wiring harness

    close