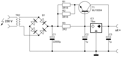
12v 10a Dc Power Supply Circuit Diagram

12v 10a Dc Power Supply Circuit Diagram

  • Category : Circuit Diagram
  • Post Date : January 26, 2026
12v 10a Dc Power Supply Circuit Diagram 9 out of 10 based on 60 ratings. 30 user reviews.

12v 10a Dc Power Supply Circuit Diagram

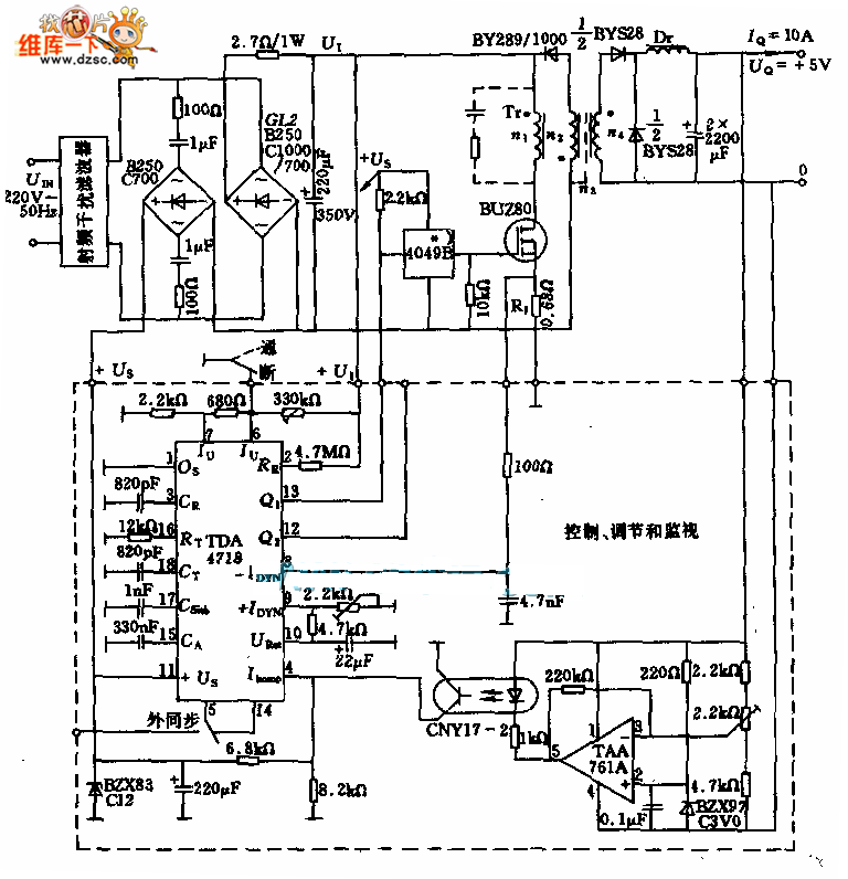
12v 10a Switching Power Supply Circuit Diagram

Schematic U0026 Wiring Diagram 5v Dc 10a Power Supply

24v To 5v 10a Power Supply Converter Schematic Diagram

10a High Current Variable Power Supply

Electronic Circuits Schematics Diagram Free Electronics

30v 10a Variable Bench Power Supply

Ac 110v-dc 5v 10a Switching Power Supply

24v 10 Amp Variable Circuit

10a 70v Smps For Power Amplifier

Power Supply 1

12v 10a Output Dc Dc Converter Voltage Stabilization

Index 2051 - Circuit Diagram

Regulated Dc Power Supply Using Transistors

12v 5a Dc Power Supply Circuit Diagram

80v-12v 10a Dc Voltage Converter - Basic Circuit

Simple 10 A Stabilized Circuit Diagram

12v U300110a Regulated Power Supply Composed Of Lm305

Ac 110v-dc 5v 10a Switching Power Supply

The Switch Power Supply Circuit Of 220v Ac 10a Dc

30v Adjustable 10a Regulated Power Supply Circuit

This Is High Quality 0

10a Lm317 Adjustable Power Supply And Current Booster In

Linear 0

Free Wiring Diagram 24v 10 Amp Variable Circuit

Here The Circuit Diagram Of 12v 20a Regulated Dc Power

How To Build 10 Amp 13 8 Volt Power Supply

13 8v 10a Dc Regulator Circuit

Simple 13 8v And 20a Dc Power Supply Circuit Diagram

0-24v Dc Digital Pic Power Supply

10v Switching Regulator Using Lm5007

12v 10a Regulated Power Supply Circuit With Pcb

Free Wiring Diagram 24v 10 Amp Variable Circuit

A Compact 36 10a Output Power Supply

My First Variable Power Supply Using Lm317

Variable Power Supply Using 7805

Tl594 12v Dc Switch Mode Power Supply Circuit Diagram

Lm317 Power Supply Circuit

Power Supply 1

September 2014

Free Wiring Diagram 24v 10 Amp Variable Circuit

Power Supply 1

24v 10a Smps - 240w

24v Power Supply 10a Circuit Design With Ltc3787

10a Adjustable Voltage Regulator Using Msk5012

Diagram 12v 10a Dc Power Supply Circuit Diagram

  • Download 12v 10a Dc Power Supply Circuit Diagram

    draw.io is free online diagram software for making flowcharts, process diagrams, org charts, UML, ER and network diagrams

    Open and edit diagrams online with Draw.io, a free diagram software supporting various formats and diagram types.

    Create a new diagram, or open an existing diagram in your new tab. To create a new diagram, enter a Diagram Name and click the location where you want to save the file.

    Create flowcharts and diagrams online with this easy to use software.

    Create and edit diagrams with draw.io, a free diagramming tool that integrates seamlessly with Office 365.

    app.diagrams.net

    Easily import diagrams from Lucidchart to diagrams.net or draw.io with this simple tool.

    Access and integrate Google Drive files with Draw.io using the Google Picker tool for seamless diagram creation.

    Clearing Cached version 29.3.4... OK Update Start App

    confEmbedUpload=For a better editing experience, please use the regular draw.io macro to insert a blank diagram, then from (File menu → Import From → Device...) select the file you want to upload and embed.

    3 way switch,3 way switch wiring,3 way switch wiring diagram pdf,3 way wiring diagram,3way switch wiring diagram,4 prong dryer outlet wiring diagram,4 prong trailer wiring diagram,6 way trailer wiring diagram,7 pin trailer wiring diagram with brakes,7 pin wiring diagram,alternator wiring diagram,amp wiring diagram,automotive lighting,cable harness,chevrolet,diagram,dodge,doorbell wiring diagram,ecobee wiring diagram,electric motor,electrical connector,electrical wiring,electrical wiring diagram,ford,fuse,honeywell thermostat wiring diagram,ignition system,kenwood car stereo wiring diagram,light switch wiring diagram,lighting,motor wiring diagram,nest doorbell wiring diagram,nest hello wiring diagram,nest labs,nest thermostat,nest thermostat wiring diagram,phone connector,pin,pioneer wiring diagram,plug wiring diagram,pump,radio,radio wiring diagram,relay,relay wiring diagram,resistor,rj45 wiring diagram,schematic,semi-trailer truck,sensor,seven pin trailer wiring diagram,speaker wiring diagram,starter wiring diagram,stereo wiring diagram,stereophonic sound,strat wiring diagram,switch,switch wiring diagram,telecaster wiring diagram,thermostat wiring,thermostat wiring diagram,trailer brake controller,trailer plug wiring diagram,trailer wiring diagram,user guide,wire,wire diagram,wiring diagram,wiring diagram 3 way switch,wiring harness

    close