120 Force Engine Diagram

120 Force Engine Diagram

  • Category : Engine Diagram
  • Post Date : January 26, 2026
120 Force Engine Diagram 9 out of 10 based on 60 ratings. 80 user reviews.

120 Force Engine Diagram

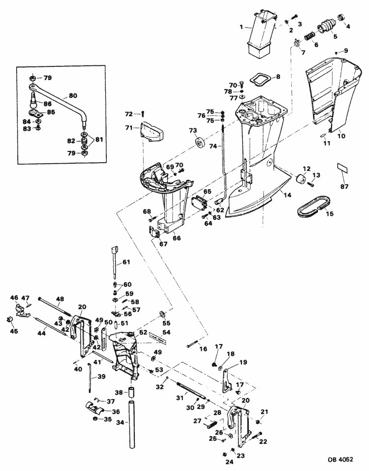
Force 125 Hp 1988 Gear Housing Parts

Force 120 Hp 1990 L

Force 120 Hp 1998 Carburetor Parts

Force 85 Hp 1986 Gear Housing Parts

Force 35 Hp 1986 Gear Housing Parts

Force 120 Hp 1991 L

Force 50 Hp 1992

Force 125 Hp 1989 Gear Housing Parts

Force 85 Hp 1989 L

Force 50 Hp 1985 Gear Housing Parts

Force 120 Hp 1998 Reed Plate U0026 Primer Parts

Force 85 Hp 1985 Gear Housing Parts

Force 90 Hp 1991

Force 125 Hp 1986 Electrical Components U0026quot B U0026quot Models Parts

Force 85 Hp 1985 Carburetor Side Jet Style Parts

Force 120 Hp 1998 Gear Housing Assembly Driveshaft Parts

Force 7 5 Hp 1985 Gear Housing Parts

Force 120 Hp 1990-1994 Carburetor 0e009500

Force 85 Hp 1985 Powerhead Parts

Force 120 Hp 1990

Force 120 Hp 1999 Driveshaft Housing Parts

Force 40 Hp 1998 Recirculation U0026 Prime System Parts

Force 120 Hp 1998 Power Trim Components Parts

Force 70 Hp 1991 Stern Brackets

Force 50 Hp 1987 Alternator U0026 Electrical Components Parts

Force 90 Hp 1998 Ignition Components Parts

1991 Force 150 No Spark Page 1

Force 120 Hp 1998 Gear Housing Assembly Propshaft Parts

Force 120 Hp 1990 L

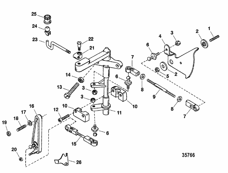
Force 40 Hp 1999 Shift U0026 Throttle Linkage Parts

Force 120 Hp 1995 Ignition Components Parts

Engine Science The Balancing Act Of Single Cylinder

Force Force Trim U0026 Tilt 35 Motor

1988 Force 50hp Cranking With Only One Cd Coil Pack Ok

Force Outboard Owners Manual

Force 85 Hp 1985 Motor Leg Parts

Force 5 Hp 1996 Gear Housing Assembly Parts

120 Force 2 Stroke Outboard Spark Plugs

Force 120 Hp 1999 Starter Assembly Parts

Force 85 Hp 1987 Powerhead Parts

Force 120 Hp 1992 L

How Do Rocket Engines Transfer The Force Upwards Space

Force 120 Hp 1990

Force 85 Hp 1986 Electrical Components U0026quot C U0026quot And U0026quot N

1985 Force 125 No Spark On Coils 2 And 4 Page 1

Force 120 Hp 1992 L

Force 120 Hp 1990 L

U0026 39 91 90hp Force Outboard

Mercury Force 125 H P 1988 Motor Leg

Force 120 Hp 1997 Carburetor Parts

Force 120 Hp 1998 Recirculation System Parts

Force 120 Hp 1990

Force 85 Hp 1985 Electrical Components Parts

Diagram 120 Force Engine Diagram

  • Download 120 Force Engine Diagram

    draw.io is free online diagram software for making flowcharts, process diagrams, org charts, UML, ER and network diagrams

    Open and edit diagrams online with Draw.io, a free diagram software supporting various formats and diagram types.

    Create a new diagram, or open an existing diagram in your new tab. To create a new diagram, enter a Diagram Name and click the location where you want to save the file.

    Create flowcharts and diagrams online with this easy to use software.

    Create and edit diagrams with draw.io, a free diagramming tool that integrates seamlessly with Office 365.

    app.diagrams.net

    Easily import diagrams from Lucidchart to diagrams.net or draw.io with this simple tool.

    Access and integrate Google Drive files with Draw.io using the Google Picker tool for seamless diagram creation.

    Clearing Cached version 29.3.4... OK Update Start App

    confEmbedUpload=For a better editing experience, please use the regular draw.io macro to insert a blank diagram, then from (File menu → Import From → Device...) select the file you want to upload and embed.

    3 way switch,3 way switch wiring,3 way switch wiring diagram pdf,3 way wiring diagram,3way switch wiring diagram,4 prong dryer outlet wiring diagram,4 prong trailer wiring diagram,6 way trailer wiring diagram,7 pin trailer wiring diagram with brakes,7 pin wiring diagram,alternator wiring diagram,amp wiring diagram,automotive lighting,cable harness,chevrolet,diagram,dodge,doorbell wiring diagram,ecobee wiring diagram,electric motor,electrical connector,electrical wiring,electrical wiring diagram,ford,fuse,honeywell thermostat wiring diagram,ignition system,kenwood car stereo wiring diagram,light switch wiring diagram,lighting,motor wiring diagram,nest doorbell wiring diagram,nest hello wiring diagram,nest labs,nest thermostat,nest thermostat wiring diagram,phone connector,pin,pioneer wiring diagram,plug wiring diagram,pump,radio,radio wiring diagram,relay,relay wiring diagram,resistor,rj45 wiring diagram,schematic,semi-trailer truck,sensor,seven pin trailer wiring diagram,speaker wiring diagram,starter wiring diagram,stereo wiring diagram,stereophonic sound,strat wiring diagram,switch,switch wiring diagram,telecaster wiring diagram,thermostat wiring,thermostat wiring diagram,trailer brake controller,trailer plug wiring diagram,trailer wiring diagram,user guide,wire,wire diagram,wiring diagram,wiring diagram 3 way switch,wiring harness

    close