Wiring Diagram Star Delta   Bintang Segitiga

Wiring Diagram Star Delta Bintang Segitiga

  • Category : Bintang Segitiga
  • Post Date : January 26, 2026
Wiring Diagram Star Delta Bintang Segitiga 9 out of 10 based on 30 ratings. 40 user reviews.

Wiring Diagram Star Delta Bintang Segitiga

Wiring Diagram Star Delta Bintang Segitiga

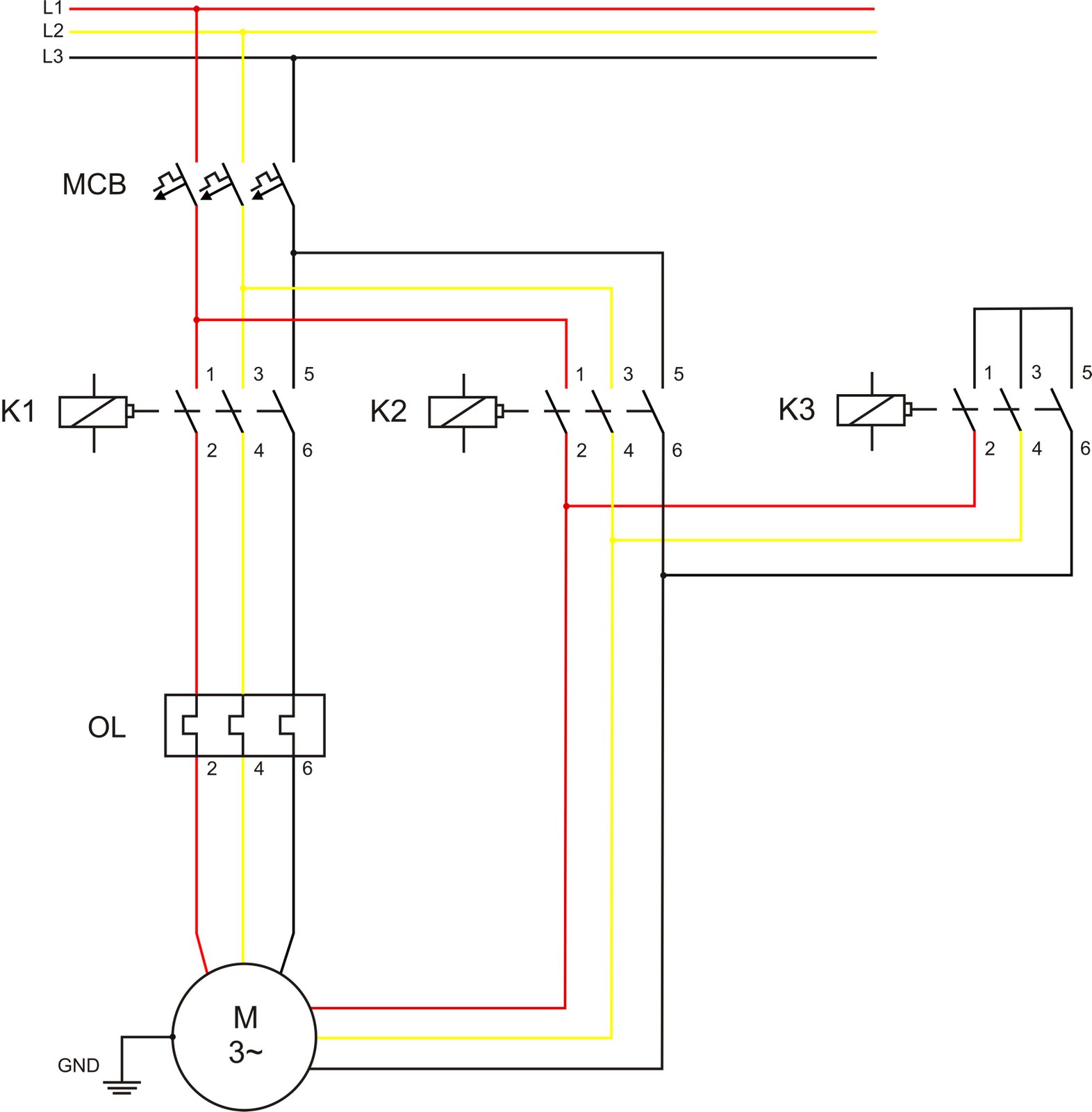
Pengertian Star Delta Starting Motor

Pengertian Star Delta Starting Motor

Wiring Diagram Star Delta Bintang Segitiga

Rangkaian Star Delta

Whiteroselight Pengasutan Bintang Segitiga Pada Motor 3 Phasa

Pengendaii Instalasi Tenaga Listrik Star

Wiring Diagram Star Delta Bintang Segitiga

Rangkaian Kontaktor Star Delta Manual

Rangkaian Star Delta Auto Manual

Pengertian Dan Wiring Diagram Star Delta Bintang Segitiga

Wiring Diagram Rangkaian Star-delta Untuk Starting Motor 3ph

Program Starting Star Delta Menggunakan Cx Programmer Plc Omron

Rangkaian Panel Listrik Kontrol U0026 Utama Rangkaian Bintang Segitiga Konvensional

Rangkaian Kontrol Forward Reverse Star Delta

Gambar Program Starting Star Delta Menggunakan Cx Programmer Plc Omron Push Di Rebanas

Wiring Diagram Otomatis Mesin Gulung Ii

Wiring Diagram Star Delta Bintang Segitiga

Mr G Pengasutan Motor 3 Fasa Star Delta

Penghasutan Bintang Segitiga Manual Motor 3 Fasa

Motor Starter Wiring

Rangkaian Panel Listrik Kontrol U0026 Utama Rangkaian Bintang Segitiga Konvensional

Blog Teknik U0026 Vokasi Pengasutan Motor 3 Fasa Secara Bintang Segitiga

Rangkaian Star Delta

Rangkaian Diagram Garis Star Delta Pada Motor Induksi Ac 3 Phasa

Star Delta U2013 Buku Sakti Taufiq Sabirin

Gambar Program Starting Star Delta Menggunakan Cx Programmer Plc Omron Push Di Rebanas

Ilmu Tehnik Kelistrikan Desain Pengamanan Motor Tenaga Listrik

Blog Teknik U0026 Vokasi Pengasutan Motor 3 Fasa Secara Bintang Segitiga

Blog Teknik U0026 Vokasi Program Plc Ladder Untuk Pengoperasian Motor Listrik

Diagram Star Delta Motor

Gambar Program Starting Star Delta Menggunakan Cx Programmer Plc Omron Push Di Rebanas

Wiring Diagram Rangkaian Star Delta Automatis Dan Manual

Foto Gambar Pengkoneksian Penyambungan Rangkaian Kontaktor Ii

Whiteroselight Pengasutan Bintang Segitiga Pada Motor 3 Phasa

Mr G Pengasutan Motor 3 Fasa Star Delta

Wiring Diagram Panel Pompa Star Delta

Rangkaian Star

Blog Teknik U0026 Vokasi Program Plc Ladder Untuk Pengoperasian Motor Listrik

Diagram Pengawatan Kompresor Sistem Saklar Bintang Segitiga

Rangkaian Panel Listrik Kontrol U0026 Utama Rangkaian Bintang Segitiga Konvensional

Rangkaian Panel Listrik Kontrol U0026 Utama Rangkaiang Panel Secara Umum

Ilmu Listrik Rangkaian Motor Tiga Fasa Dengan Star Delta Otomatis

Blog Teknik U0026 Vokasi Pengasutan Motor 3 Fasa Secara Bintang Segitiga

Pengendalian Motor Listrik 3 Phasa Dengan Star Delta Pada Otomasi Industri

Penghasutan Bintang Segitiga Manual Motor 3 Fasa

Gambar Program Starting Star Delta Menggunakan Cx Programmer Plc Omron Push Di Rebanas

Diagram Wiring Diagram Star Delta Bintang Segitiga

  • Download Wiring Diagram Star Delta Bintang Segitiga

    draw.io is free online diagram software for making flowcharts, process diagrams, org charts, UML, ER and network diagrams

    Open and edit diagrams online with Draw.io, a free diagram software supporting various formats and diagram types.

    Create a new diagram, or open an existing diagram in your new tab. To create a new diagram, enter a Diagram Name and click the location where you want to save the file.

    Create flowcharts and diagrams online with this easy to use software.

    Create and edit diagrams with draw.io, a free diagramming tool that integrates seamlessly with Office 365.

    app.diagrams.net

    Easily import diagrams from Lucidchart to diagrams.net or draw.io with this simple tool.

    Access and integrate Google Drive files with Draw.io using the Google Picker tool for seamless diagram creation.

    Clearing Cached version 29.3.4... OK Update Start App

    confEmbedUpload=For a better editing experience, please use the regular draw.io macro to insert a blank diagram, then from (File menu → Import From → Device...) select the file you want to upload and embed.

    3 way switch,3 way switch wiring,3 way switch wiring diagram pdf,3 way wiring diagram,3way switch wiring diagram,4 prong dryer outlet wiring diagram,4 prong trailer wiring diagram,6 way trailer wiring diagram,7 pin trailer wiring diagram with brakes,7 pin wiring diagram,alternator wiring diagram,amp wiring diagram,automotive lighting,cable harness,chevrolet,diagram,dodge,doorbell wiring diagram,ecobee wiring diagram,electric motor,electrical connector,electrical wiring,electrical wiring diagram,ford,fuse,honeywell thermostat wiring diagram,ignition system,kenwood car stereo wiring diagram,light switch wiring diagram,lighting,motor wiring diagram,nest doorbell wiring diagram,nest hello wiring diagram,nest labs,nest thermostat,nest thermostat wiring diagram,phone connector,pin,pioneer wiring diagram,plug wiring diagram,pump,radio,radio wiring diagram,relay,relay wiring diagram,resistor,rj45 wiring diagram,schematic,semi-trailer truck,sensor,seven pin trailer wiring diagram,speaker wiring diagram,starter wiring diagram,stereo wiring diagram,stereophonic sound,strat wiring diagram,switch,switch wiring diagram,telecaster wiring diagram,thermostat wiring,thermostat wiring diagram,trailer brake controller,trailer plug wiring diagram,trailer wiring diagram,user guide,wire,wire diagram,wiring diagram,wiring diagram 3 way switch,wiring harness

    close